Commerical High Voltage (HV) Capacitors
CHV Series included in this catalog are:
Features
- Excellent volumetric efficiency and stability of capacitance with temperature
- High voltage capacitors
- Special internal electrode design for high voltage rating
- Surface mount suitable for wave and reflow soldering
- High Reliability
- RoHS Compliant
Applications
- LAN/WLAN interface
- Back-lighting inverter, DC-DC converters
- Ballast, Modems and Power Supplies
Part Numbering
Dimensions (mm)
| Dimensions (mm) | |||||
|---|---|---|---|---|---|
| Size | L | W | T | B (min) | BW (min) |
| 0603 | 1.60 ± 0.10 | 0.80 ± 0.10 | * | 0.4 | 0.15 |
| 0805 | 2.00 ± 0.20 | 1.25 ± 0.20 | * | 0.7 | 0.20 |
| 1206 | 3.20 ± 0.30 | 1.60 ± 0.20 | * | 1.5 | 0.30 |
| 1210 | 3.20 ± 0.30 | 2.50 ± 0.20 | * | 1.6 | 0.30 |
| 1808 | 4.60 ± 0.30 | 2.00 ± 0.20 | * | 2.5 | 0.30 |
| 1812 | 4.60 ± 0.30 | 3.20 ± 0.30 | * | 2.5 | 0.30 |
| 1825 | 4.60 ± 0.30 | 6.35 ± 0.40 | * | 2.5 | 0.30 |
| 2220 | 5.70 ± 0.40 | 5.00 ± 0.40 | * | 3.5 | 0.30 |
| 2225 | 5.70 ± 0.40 | 6.35 ± 0.40 | * | 3.5 | 0.30 |
* See data sheets for T specifications
Terminations
| Code | Description |
|---|---|
| F | Silver Palladium |
| N | Nickel Barrier |
| A | High Leach Resistant Silver Palladium |
Rated Voltages
| Code | Voltage | Code | Voltage | Code | Voltage |
|---|---|---|---|---|---|
| 250 | 250V | 1K5 | 1.5KV | 4K0 | 4KV |
| 500 | 500V | 2K0 | 2KV | 5K0 | 5KV |
| 630 | 630V | 2K5 | 2.5KV | 6K0 | 6KV |
| 1K0 | 1KV | 3K0 | 3KV |
Capacitance Codes
| Cap Code | Value | Cap Code | Value | Cap Code | Value | Cap Code | Value | Cap Code | Value | Cap Code | Value |
|---|---|---|---|---|---|---|---|---|---|---|---|
| 0R5 | 0.5pF | 100 | 10pF | 102 | 1.0nF | 104 | 100nF | 106 | 10uF | ||
| 5R0 | 5.0pF | 101 | 100pF | 103 | 10nF | 105 | 1.0uF |
Capacitance Codes
| Cap Code | Value | Cap Code | Value | Cap Code | Value | Cap Code | Value | Cap Code | Value | Cap Code | Value |
|---|---|---|---|---|---|---|---|---|---|---|---|
| 0R5 | 0.5pF | 100 | 10pF | 102 | 1.0nF | 104 | 100nF | 106 | 10uF | ||
| 5R0 | 5.0pF | 101 | 100pF | 103 | 10nF | 105 | 1.0uF |
Capacitance Tolerances
| Code | B | C | G | J | K | M | |
|---|---|---|---|---|---|---|---|
| Tol. | ±0.1pF | ±0.25pF | ±1% | ±2% | ±5% | ±10% | ±20% |
Dielectric Codes
| Code | C | X |
|---|---|---|
| COG | X7R |
Performance
| Dielectric Classification | C = COG / NP0 (Ultra Stable) | X = X7R (Stable) |
|---|---|---|
| Operating Temperature | −55°C to 125°C | −55°C to 125°C |
| Rated Voltage | 250V – 6000V | 250V – 6000V |
| Temperature Coefficient | ≤±30ppm/°C, −55°C ~ +125°C (EIA Class I) |
≤±15ppm/°C, −55°C ~ +125°C (EIA Class II) |
| Dissipation Factor | NP0: Q>1000 | X7R: D.F. ≤2.5% |
| Insulation Resistance | 10GΩ or 500/CΩ whichever is smaller | |
| Aging | NP0: 0% | X7R: Typically 1.0% per decade of time |
| Dielectric Strength | 100 ≤ V < 500V, 200% Rated Voltage 500 ≤ V < 1000V, 150% Rated Voltage 1000 ≤ V, 120% Rated Voltage |
|
Packaging
Cardboard Carrier Tape for 0603, 0805, 1206 case sizes
| Size | Qty per 7” Reel |
|---|---|
| 0603 | 4K |
| 0805 | 4K |
| 1206 | 4K |
Tape & Reel Specifications
Unit: mm
| Size | W | P₀ | P₁ | P₂ | D₀ | D₁ | E | F |
|---|---|---|---|---|---|---|---|---|
| 0603 | 8.00 ± 0.30 | 4.00 ± 0.10 | 4.00 ± 0.10 | 2.00 ± 0.05 | 1.55 ± 0.10 | 1.00 ± 0.10 | 1.75 ± 0.10 | 3.50 ± 0.05 |
| 0805 | 8.00 ± 0.30 | 4.00 ± 0.10 | 4.00 ± 0.10 | 2.00 ± 0.05 | 1.55 ± 0.10 | 1.00 ± 0.10 | 1.75 ± 0.10 | 3.50 ± 0.05 |
| 1206 | 8.00 ± 0.30 | 4.00 ± 0.10 | 4.00 ± 0.10 | 2.00 ± 0.05 | 1.55 ± 0.10 | 1.00 ± 0.10 | 1.75 ± 0.10 | 3.50 ± 0.05 |
A₀ B₀
- Determined by component size to minimize rotation.
- The component cannot rotate more than 20° within the determined cavity.
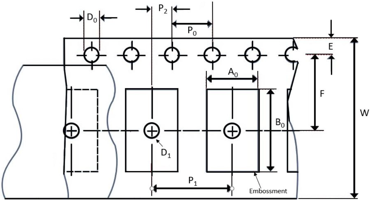
Packaging
Embossed plastic carrier tape for the following case sizes
| Size | Qty per 7” Reel | Qty 10/13” Reel |
|---|---|---|
| 0805 | 2K, 3K | 10K |
| 1206 | 2K, 3K | 10K |
| 1210 | 1K, 2K, 3K | 4K |
| 1808 | 500, 1000 | 2K |
| Size | Qty per 7” Reel | Qty 10/13” Reel |
|---|---|---|
| 1812 | 500, 1000 | 2K |
| 1825 | 500, 1000 | 1.5K |
| 2220 | 500, 1000 | 1.5K |
| 2225 | 500, 750 | 1K |
Tape & Reel Specifications
Unit: mm
| Size | W | P₀ | P₁ | P₂ | D₀ | D₁ | E | F |
|---|---|---|---|---|---|---|---|---|
| 0805 | 8.00 ± 0.30 | 4.00 ± 0.10 | 4.00 ± 0.10 | 2.00 ± 0.05 | 1.50 ± 0.10 | 1.00 ± 0.10 | 1.75 ± 0.10 | 3.50 ± 0.05 |
| 1206 | 8.00 ± 0.30 | 4.00 ± 0.10 | 4.00 ± 0.10 | 2.00 ± 0.05 | 1.50 ± 0.10 | 1.00 ± 0.10 | 1.75 ± 0.10 | 3.50 ± 0.05 |
| 1210 | 8.00 ± 0.30 | 4.00 ± 0.10 | 4.00 ± 0.10 | 2.00 ± 0.05 | 1.50 ± 0.10 | 1.00 ± 0.10 | 1.75 ± 0.10 | 3.50 ± 0.05 |
| 1808 | 12.00 ± 0.30 | 4.00 ± 0.10 | 8.00 ± 0.10 | 2.00 ± 0.05 | 1.50 ± 0.10 | 1.00 ± 0.10 | 1.75 ± 0.10 | 5.50 ± 0.05 |
| 1812 | 12.00 ± 0.30 | 4.00 ± 0.10 | 8.00 ± 0.10 | 2.00 ± 0.05 | 1.50 ± 0.10 | 1.00 ± 0.10 | 1.75 ± 0.10 | 5.50 ± 0.05 |
| 1825 | 12.00 ± 0.30 | 4.00 ± 0.10 | 8.00 ± 0.10 | 2.00 ± 0.05 | 1.50 ± 0.10 | 1.00 ± 0.10 | 1.75 ± 0.10 | 5.50 ± 0.05 |
| 2220 | 12.00 ± 0.30 | 4.00 ± 0.10 | 8.00 ± 0.10 | 2.00 ± 0.05 | 1.50 ± 0.10 | 1.00 ± 0.10 | 1.75 ± 0.10 | 5.50 ± 0.05 |
| 2225 | 12.00 ± 0.30 | 4.00 ± 0.10 | 8.00 ± 0.10 | 2.00 ± 0.05 | 1.50 ± 0.10 | 1.00 ± 0.10 | 1.75 ± 0.10 | 5.50 ± 0.05 |
A₀ B₀
- Determined by component size to minimize rotation.
- The component cannot rotate more than 20° within the determined cavity.
